WL1600
2018-4-17
WL1600 低成本,高集成度的2.4GHz无线收发芯片

1  芯片简介

  WL1600是一款低成本,高集成度的2.4GHZ的无线收发芯片,片上集成发射机、接收机、频率综合器和GFSK调制解调器。WL1600具有高灵敏度、低功耗以及抗干扰能力强的优点,可适用于无线遥控、无线键鼠、无线通讯以及工业控制等领域。

 WL1600片上的发射接收FIFO寄存器可以和MCU进行通信,存储数据,然后以1Mbps数据率在空中传输。它内置了CRCFECAUTO-ACK和重传机制,可以大大简化系统设计并优化性能。同时外围电路简单,只需搭配MCU以及少数外围被动元件。为了提高电池使用寿命,芯片在各个环节都降低功耗,芯片最低工作电压可以到1.9V,最低睡眠模式电流小于1μA。数字基带支持SPII2C接口,PKT_FLAG数字接口可作为MCU的中断输入。


2  芯片主要特点

低功耗的2.4GHz ISM频段、GFSK射频收发器

内嵌8bit成帧器的64字节缓存区,可减轻MCU工作量

简单的微处理器接口-SPII2C

强大的C/I提供良好的WIFI共存性能

可编程数据白化和自动应答功能

支持FEC,增加通信可靠性

支持16CRC

支持AGC

高效的功耗管理模块(最低约lμA待机电流)

外接晶振容许50PPM的变化

符合FCC/ETSI

110度工作温度,适用于LED灯(要求晶振的ppm±50ppm以内)

近距离模式,适用于有特定安全需求的环境

可外接PA,增加通讯距离

支持QFN20SOP16SOP8的封装

 

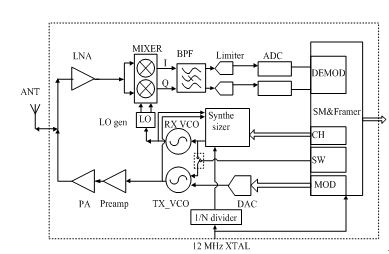
3  模块方框图

 

                 图1  WL1600模块方框图

4  电气特性

1:电气特性(以下电气特性都是在工作温度25℃,工作电压3.3V条件下得到的)

参数

描述

规格

单位

说明

最小

典型

最大

TOP

工作温度

-40

 

110

 

VDD

工作电压

1.9

 

3.6

V

 

F_xtal

晶体频率

 

12

 

MHz

容许50PPM的变化

IDD_TX

TX工作电流

 

16

 

mA

POUT = 0 dBm

IDD_RX

RX 工作电流

 

15

 

mA

 

IDD_IDLE

IDLE工作电流

 

0.7

 

mA

 

IDD_SLP

Sleep 工作电流

1

2

 

μA

室温,电压3V情况下

FCLK

输出时钟

 

12

 

MHz

 

Tr_spi

SPI时钟沿上升下降的时间

 

 

25

ns

读写不出错的最低要求

F_SPI

SPI时钟速度

0

 

12

MHz

 

F_OP

工作频率

2402

 

2480

MHz

 

VSWR

天线端口差异
(Z0=50
W)

 

<2:1

 

VSWR

 

RXS

接收灵敏度

 

-89

     

dBm

BER <= 0.1%

RXM

最大输入功率

-10

 

 

dBm

BER <= 0.1%

IIP3

三阶输入截止点

 

-40

 

dBm

BER <= 0.1%

R_data

数据率

 

1E6

 

Bit/s

 

CI_co-channel

同频干扰

 

9

 

dB

 

CI_1MHz

1MHZ同频信号干扰

 

3

 

dB

-60 dBm信号.

CI_2MHz

2MHZ同频信号干扰

 

-15

 

dB

-60 dBm信号

CI_3MHz

3MHZ同频信号干扰

 

-24

 

dB

-60 dBm信号

CI_Image

Carrier/Interference at image frequency

 

-10

 

dB

-67 dBm信号

CI_3MHzUp

Carrier/Interference at>3MHz offset

 

-27

 

dB

-60 dBm信号

OBB_1

 

带外干扰

-30

 

 

dBm

30 MHz to 2000 MHz

OBB_2

 

-10

 

dBm

2000 MHz to 2400 MHz

OBB_3

 

-10

 

dBm

3000 MHz to 12.75 GHz

Pout_max

最大发射功率

 

5

 

dBm

 

DF1avg

最大频偏

00001111 pattern

 

350

 

kHz

调制特性TX眼图

DF2max

最大频偏

01010101 pattern

 

300

 

kHz

调制特性TX眼图

DF2max /

DF1avg

 

TX EYE opening

80

 

 

%

1010序列相对于00001111序列

IBS_1

带内辐射(+/550kHz)

 

 

-20

dBm

随机数

IBS_2

带内辐射2MHz偏移

 

 

-40

dBm

随机数

IBS_3

带内辐射3MHz 偏移

 

 

-60

dBm

随机数

OBS_1

 

带外辐射

 

 

-60

dBm

30 MHz ~ 1 GHz

OBS_2

 

 

-45

dBm

1 GHz ~ 12.75 GHz

OBS_3

 

 

-60

dBm

1.8 GHz ~ 1.9 GHz

OBS_4

 

 

-65

dBm

5.15Hz ~ 5.3 GHz


5  管脚描述


          图2  WL1600 QFN20封装示意图

 

2QFN20管脚描述

管脚编号

管脚名

管脚类型

描述

1

CE/EXTREST

数字输入

芯片使能、复位信号,1-芯片使能,0-芯片复位

2

SPI_CSN

数字输入

SPI接口片选信号

3

SPI_CLK

数字输入

SPI时钟,I2C 时钟*默认SPI接口)

4

SPI_MOSI

数字输入

SPI Slave Data InputI2C A5

5

SPI_MISO

数字输出

SPI Slave Data Output,I2C Data(*默认SPI接口)

6

PKT_FLAG

数字输出

发送、接收包完成标志位

7

VDD

电源

输入电压

8

VSS

9

XTALO

模拟输出

晶体振荡器输出脚

10

XTALI

模拟输入

晶体振荡器输入脚

11

NC

无连接

12

ANT

射频端口

天线接口

13

ANTb

射频端口

天线接口

14

VSS

15

VDD

电源

输入电压

16

NC

无连接

17

VSS

18

VDD

电源

输入电压

19

NC

无连接

20

VSS

 

                                          

                           图3  WL1600 SOP16封装示意图


3  SOP16管脚描述

管脚编号

管脚名

管脚类型

描述

1

FIFO_FLAG

数字输出

FIFO空或满标志位

2

CE/EXTREST

数字输入

芯片使能、复位信号,1-芯片使能,0-芯片复位

3

SPI_CSN

数字输入

SPI接口片选信号

4

SPI_CLK

数字输入

SPI时钟,I2C 时钟*默认SPI接口)

5

SPI_MOSI

数字输入

SPI Slave Data InputI2C A5

6

SPI_MISO

数字输出

SPI Slave Data OutputI2C Data*默认SPI接口

7

PKT_FLAG

数字输出

发送、接收包完成标志位

8

VDD

电源

输入电压

9

MONIp

模拟输出

测试专用脚

10

XTALO

模拟输出

晶体振荡器输出脚

11

XTALI

模拟输入

晶体振荡器输入脚

12

VSS

13

ANT

射频端口

天线接口

14

ANTb

射频端口

天线接口

15

VSS

16

VSS

                                                      

                                                         

                            图4  WL1600 SOP8封装示意图

 

4  SOP8管脚描述

管脚编号

管脚名

管脚类型

描述

1

XTALO

模拟输出

晶体振荡器输出脚

2

XTALI

模拟输入

晶体振荡器输入脚

3

ANT

射频端口

天线接口

4

AVSS

5

SPI_CSN

数字输入

SPI接口片选信号

6

SPI_CLK

数字输入

SPI时钟

7

SPI_MOSI

数字IO

SPI Slave Data Input/Output

8

VDD

电源

输入电压


合作伙伴